'DDIAL' Frequenzzähler / Digitale Anzeige zurück

 

DDIAL, Displayanzeige

 

Projekt: Frequenzzähler und Digitale Anzeige
Kontakt: DL2LTO
 
Einleitende Worte

 

Das Digital Anzeige Modul ‚DDIAL’ soll in erster Linie als eine einfache Anzeigeinheit für die digitale Frequenzanzeige bei Single Band QRP Geräten dienen.
Eine programmierbare ZF Offset Funktion gestattet nicht nur die VFO Frequenz direkt zu messen, sondern es kann auch die tatsächliche Betriebsfrequenz angezeigt werden. Die digitale Anzeige kann auch als Allzweck Frequenzzähler verwendet werden. Es enthält auch einen speziellen Quarz Prüfungs Modus, der eine einfache Quarzgruppensortierung für ZF Filter ermöglicht, die nur um ca. 10 Hz voneinander abweichen.
Der DDIAL Kit wird beiHendricks QRP Kits vorgestellt. Ich habe das Handbuch frei übersetzt und ergänzt. Der Bausatz wird mit allen Teilen und einer kommerziell gefertigten, vor gebohrter Leiterplatte mit Lötstoppmaske angeboten.
Hier diedeutsche Übersetzung der Baumappe DDIAL als PDF-File mit ein paar individuellen Anmerkungen.
 
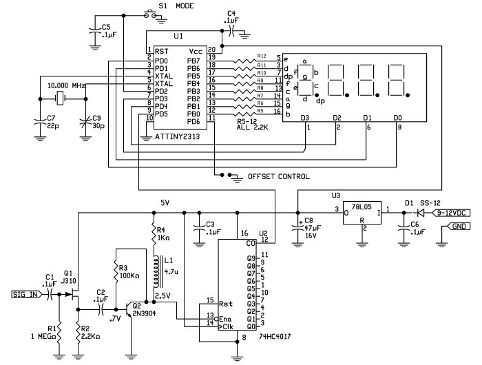
Schaltung

 

Schaltplan
 
DDIAL Display Frequenzanzeige im Detail

 

Bauteile auf einen Blick

 

Alle Bauteile des Kits auf einen Blick. Der Bausatz ist leicht zusammenzubauen. Keine Angst vor den SMD Bauteilen. Die Platine mit Lötstoppmaste ist in einer sehr guten Qualität.

 

Platinen Bestückungsseite

 

Bestückungsseite im Detail. Gut zu erkennen sind die SMD Bauteile und der Prozessor.

 

Platinen Bestückungsseite, mit OFFSET Taster

 

Hier habe ich den OFFSET Kontakt mit einem SMD Taster bestückt. Da ich viel mit dem Programmier Mode experiementiert habe war das eine Erleichterung. Vorher hatte ich immer mit einem Stück Draht die beiden Kontakte gebrückt.

 

Platinen Frontseite

 

Frontseite der Anzeigeeinheit. Im Mittelpunkt das Display. Unten platziert der Trimmer, Quarz und der Mode Taster.

 

Platinen Frontseite

 

Frontseite noch mal um 180° gedreht. Unten links der verändert eingebaute Elko.
TOP