 |
| "Entlader" mit variabler Last |
 |
|
|
|
|
 |
|
|
 |
Projekt:
"Entlader" mit variabel schaltbarer Last |
|
|
 |
Kontakt:  |
| |
|
 |
Einleitende
Worte |
|
|
|
Der
hier vorgestellte 'Entlader' dient zum Überprüfen der Belastbarkeit
von Netzteilen oder Akkus. Dazu bennötigt man eine veränderbare
Last. Die entsprechende Last wird durch variable Zuschaltung von Halogenglühlampen,
sogenannte Niedervolt-Spotlampen, hergestellt. Simpel aber wirksam. |
| |
|
 |
Schaltungsbeschreibung |
|
|
|
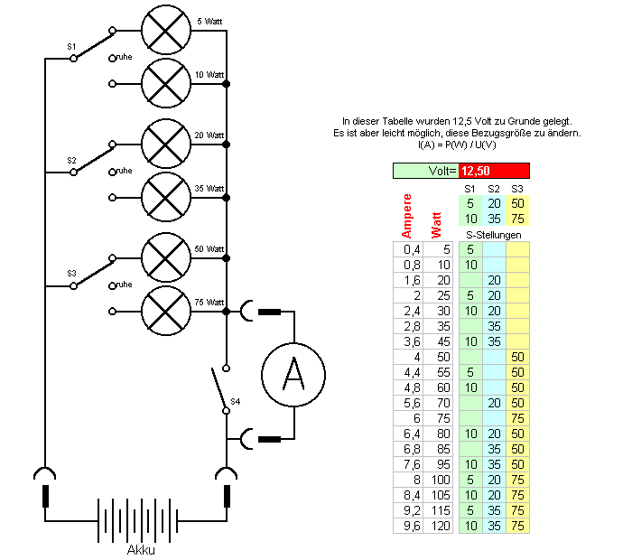
Mit
den 3 Schaltern S1, S2 und S3 wird entsprechend einer Matrix die Leistung
geschaltet. Die Schalter haben eine Mittelstellung, einen Ruhekontakt.
Damit ist es möglich mehr Variabilität bei der Leistungseinstellung
zu bekommen. Zusätzlich ist noch ein Ein/Aus Schalter S4 vorgesehen,
um ein Amperemeter einzuschleifen. Wenn S4 überbrückt ist eine
Anzeige nicht möglich. Bei offenem S4 kann an einem angeschlossenen
Amperemeter die gezogene Stromstärke direkt abgelesen werden. Bei
Akkus, die bei Last schnell in an ihre Grenze kommen ist eine solche zusätzliche
Kontrolle hilfreich. Gleichzeitig läßt die Helligkeit der Lampen
nach. Ein Zeichen, daß die Quelle in eine kritischen Bereich betrieben
wird. Bei Akkus muß streng auf eine Tiefenentladung geachtet werden.
Dazu habe ich eine Unterspannungsabschaltung realisiert, d.h. bei ca. 11
Volt wird die Entladung automatisch abgebrochen. An
den Buchsen kann die zu beurteilende Quelle angeschlossen werden. Das kann
ein Netzteil, ein Akku etc. sein. Die
Schalter müssen die maximale Stromstärke schalten können.
Weiterhin muß auf einen genügend großen Leiterquerschnitt
der Verbindungskabel geachtet werden. Es fließen immerhin bis zu
10 A. Da die Lampen auf einem Sockel gesteckt wurden, ist eine ausreichende Lastvariabilität durch Austausch der Lampen gegeben. Das Gehäuse mit Aludeckel hat die Abmaße 120 x 70 x 35 mm. |
| |
|
 |
Schaltung |
|
|
|
 |
| |
|
 |
Details |
|
|
|
Gesamtansicht. Vorne
die Schalter S1, S2 und S3. rechts der Schalter S4 und die Buchse für
das Amperemeter. Auf dem Gehäuse sind die sechs Halogen-Stiftsockellampen
in den Sockeln zu sehen. |
|
|
|
 |
|
|
|
Ansicht
von der Rückseite. Hier habe ich noch mal eine Matrix für 12,5V
aufgeklebt. So hat man die Matrixkombination schnell im Blick. |
|
|
|
 |
|
Auch ist im Betrieb darauf zu achten, dass neben der großen Helligkeit auch große Wärme produziert wird! Also Achtung, Glühlampen NICHT abdecken! Nicht berühren! |
 |
|
|
|
|
 |
|
 |