Elektronische Morsetaste mit Speicher zurück

 

Elektronische Morsetaste mit Speicher

 

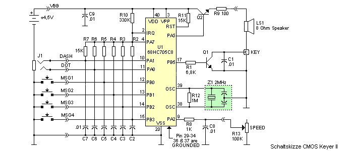
Projekt: CMOS super keyer nach KC0Q und N0II
Kontakt: 
 
Kurzbeschreibung

 

Der CMOS super keyer ist sehr kompakt aufgebaut. Er wird über einen CMOS Microprozessor gesteuert, verfügt über 4 getrennte Speicher, verbraucht sehr wenig Leistung und die komlette Parameterisierung erfolgt über die Punkt/Strich Tasten im Morsecode. Es gibt verschiedene Funktionsblöcke in denen der Morsecode interpretiert wird.
- Funktionkommandomodus
- Abfragekommandomodus
- Funktionsintegrationsmodus
- Buttonfunktionsmodus
 
Schaltungsdetails

 

Schaltungsdetails
 
Einige Leistungsmerkmale

 

lambic keyer mit Punkt und Strich Speicherung

 

4 Speicherplätze zum Ablegen von bis zu 220 Zeichen

 

Contest Seriennummernvergabe von 001 bis 9999

 

Sender Abstimmfunktion

 

Digitale und lineare analoge Geschwindigkeitskontrolle von 6 bis 60 WPM

 

Variable Pausengestaltung zwischen den Speichertexten

 

Schleifenbildung der Speichertexte

 

Programmierung der Funktionen erfolgt über die Paddel in Morsecode

 

Die Kommunikation und Parameterausgabe erfolgt über Morsecode

 

Break-In Modus

 

Viele Keyer Modi sind einstellbar

 

und vieles mehr
 
Details in Wort und Bild

 

Gesamtansicht des Keyers in einem Standardgehäuse.
Ich konnte es mir nicht verkneifen das superkleine, 'zusammenschiebbare' Mini Paddle oben drauf zu stellen.

Speicherabruf und Funktionstasten über Tasten1 bis 4. Rechts das Poti zur Einstellung der Morsegeschwindigkeit.
Frontplatte des Keyers mit den 4 Buttons und dem Poti für die manuelle Variation der Zeichengeschwindigkeit. Die Buttons dienen bei gleichzeitigem Drücken verschiedener Kombinationen auch zur Funktionsauswahl. Links ist der Processor, rechts der Mithörlautsprecher und dahinter die gute alte 'Flachbatterie' zu sehen.

 

Gesamtansicht Frontansicht

 

Die Rückseite hat nur einen Ausgang für den mechanischen Keyeranschluß und Out für den Sender. Die Flachbatterie und den Lautsprecher kann man natürlich sehr viel kleiner gestalten. Damit dürfte die 'Umhausung' um die Hälfte schrumpfen. Draufsicht im Detail.

 

Rückansicht Innenansicht
 
weitere Keyerinfos

 

http://www.mtechnologies.com http://www.mtechnologies.com

 

http://k1el.com http://k1el.com

 

IdiomPress IdiomPress

 

IdiomPress N0XAS

 

DL4YHF's PIC-Keyer DL4YHF's PIC-Keyer

 

N3ZN keys N3ZN Keys
TOP