|
||||||||||||||||||||||||||||||||||||||||||||||
|
||||||||||||||||||||||||||||||||||||||||||||||
![]() |
||||||||||||||||||||||||||||||||||||||||||||||
|
||||||||||||||||||||||||||||||||||||||||||||||
| Projekt: Batterie Spannungs Indikator | ||||||||||||||||||||||||||||||||||||||||||||||
| Kontakt: |
||||||||||||||||||||||||||||||||||||||||||||||
| Einleitende Worte | ||||||||||||||||||||||||||||||||||||||||||||||
|
||||||||||||||||||||||||||||||||||||||||||||||
| Kennst
du die Situation. Partable Betrieb mit Akku, im QSO-Stress oder sogar Kontest.
Wer hat da Zeit, den Akku zu überwachen. Denn auch 3, 6 oder 10 A
sind mal verbraucht. Ich wollte immer schon eine einfache, stromsparende
Schaltung aufbauen, um die Spannung an der Batterie zu überwachen. Mit R1 [Einstellregler] habe ich eine Schwelle von 10,5 Volt eingestellt. UB kleiner 10,5 Volt --> rote LED, UB größer 10,5 Volt --> grüne LED. Die Rasterplatine ist nur 27 x 17 mm. |
||||||||||||||||||||||||||||||||||||||||||||||
| Schaltungsbeschreibung | ||||||||||||||||||||||||||||||||||||||||||||||
|
||||||||||||||||||||||||||||||||||||||||||||||
| Der uA741
ist als Komparator geschaltet. Der invertierende Eingang 2 erhält
über die Z-Diode eine konstante Spannung. Am nicht invertierenden
Eingang 3 wird die anliegende Betriebsspannung ausgewertet. Wird nun die
über den Spannungsteiler R1, R2 herabgesetzte Spannung UB kleiner als
UZ, so wechselt die Spannung am Ausgang 6 vom maximalen Wert UB minus 1V auf
den minimalen Wert von ca. 1,5V. Abhängig vom Betriebszustand wird
nun eine der beiden LED über die Vorwiderstände R5 bzw. R4 angesteuert.
Die Umschaltschwelle kann nach folgender Formel selbst ermittelt werden. Uumschalt = UZ x (R1+R2) / R2 Die Spannung der Z-Diode sollte der halben Betriebsspannung entsprechen. Geht man davon aus R2 vorzugeben, so errechnet sich R1 nach Umstellen der Formel wie folgt. R1 = R2 x ((Uumschalt / UZ) -1) |
||||||||||||||||||||||||||||||||||||||||||||||
| Schaltung und Details in Wort und Bild | ||||||||||||||||||||||||||||||||||||||||||||||
|
||||||||||||||||||||||||||||||||||||||||||||||
|
||||||||||||||||||||||||||||||||||||||||||||||
|
||||||||||||||||||||||||||||||||||||||||||||||
| 12 Volt Bleiakku Spannungsmonitor | ||||||||||||||||||||||||||||||||||||||||||||||
|
||||||||||||||||||||||||||||||||||||||||||||||
![]() |
||||||||||||||||||||||||||||||||||||||||||||||
|
||||||||||||||||||||||||||||||||||||||||||||||
| Projekt: Spannungsmonitor für 12Volt Bleiakkus | ||||||||||||||||||||||||||||||||||||||||||||||
| Kontakt: |
||||||||||||||||||||||||||||||||||||||||||||||
| Einleitende Worte | ||||||||||||||||||||||||||||||||||||||||||||||
|
||||||||||||||||||||||||||||||||||||||||||||||
| Der Akkumonitor
für 12 Volt. Ein sehr kleiner aber sehr nützlicher Helfer. Dieser
Bausatz stammt aus der Feder von Oliver, DG7XO aus Hamburg. Der Akkumonitor eignet sich sowohl für sparsame QRP-Anwendungen als auch für große Akkus und das bei einem Platzbedarf von gerade einmal 20 x 30 mm. Die Leiterplatte ist auf der Unterseite frei. Du kannst die fertige Platine einfach auf den Akku aufkleben. Oder löte den Akkumonitor mit der umlaufende und freie Massefläche direkt ans Gehäuse. Über vier kräftige LEDs wird der aktuelle Ladezustand eines angeschlossenen Blei- oder Blei-Gel-Akkus angezeigt. Damit ist auch bei sehr hellen Umgebungen der Akkuzustand jederzeit deutlich sichtbar. Bei sehr niedrigem Ladestand beginnt die rote LED zusätzlich warnend zu blinken. Die Schaltungsbeschreibung, das Platinenlayout, der Programmcode und weitere Details sind bei |
||||||||||||||||||||||||||||||||||||||||||||||
| Schaltungsbeschreibung | ||||||||||||||||||||||||||||||||||||||||||||||
|
||||||||||||||||||||||||||||||||||||||||||||||
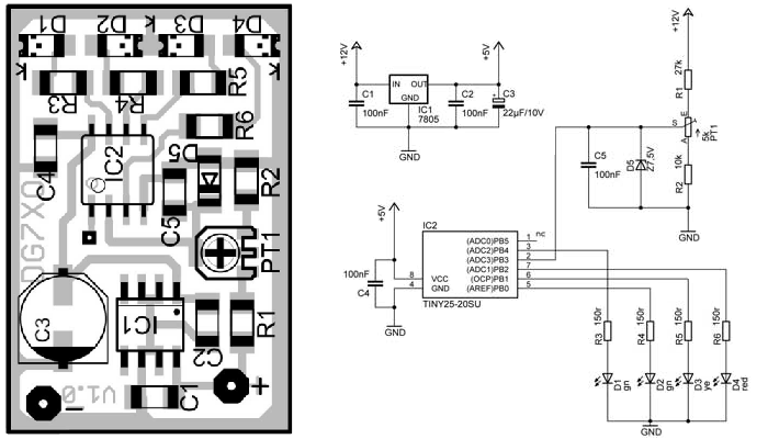
| Diese
kleine Schaltung überwacht die Spannung mit 4 LEDs und benötigt
mit den gewählten Vorwiderständen nur ca. 20 mA. Die Schaltung
besteht aus einem Spannungsregler, Spannungsteiler mit Schutzdiode und
dem ATTiny25 von Atmel, der die Spannung mit seinem AD-Wandler ermittelt
und an 4 Pins mit den LEDS zur Ausgabe bringt. Mit dem Poti wird noch der
Spannungsteiler abgeglichen. Hierzu muss mit einem Netzteil 10,25 Volt eingestellt
und das Poti so abgeglichen werden, dass die rote LED zwischen schnell
und langsam blinkt.
Die weiteren Schwellwerte im Übersicht:
Hier noch einige technische Details:
|
||||||||||||||||||||||||||||||||||||||||||||||
|
||||||||||||||||||||||||||||||||||||||||||||||
![]() |
||||||||||||||||||||||||||||||||||||||||||||||
| Schaltung und Details in Wort und Bild: | ||||||||||||||||||||||||||||||||||||||||||||||
|
||||||||||||||||||||||||||||||||||||||||||||||
| Das sind die SMD Bauteile mit der Platine | ||||||||||||||||||||||||||||||||||||||||||||||
|
||||||||||||||||||||||||||||||||||||||||||||||
![]() |
||||||||||||||||||||||||||||||||||||||||||||||
|
||||||||||||||||||||||||||||||||||||||||||||||
| Fertig bestückte Platine. Diese ist in einer halben Stunde zusammengelötet und sollte komplikationslos funktionieren. | ||||||||||||||||||||||||||||||||||||||||||||||
|
||||||||||||||||||||||||||||||||||||||||||||||
![]() |
||||||||||||||||||||||||||||||||||||||||||||||
|
||||||||||||||||||||||||||||||||||||||||||||||
| Ich habe
einen Spannungsmonitor direkt auf den Bleigelakku geklebt. Die aktuell
leuchtende SMD LED zur Akkuzustandsanalyse ist deutlich zu erkennen, auch
bei Sonne. Beim Laden des Akkus ist der Monitor von Vorteil, da der jeweilige Spanungszustand direkt per LED angezeigt wird. Ich habe einen kleinen Schiebeschalter zwischen Pluspol-Akku und Monitor gelötet. Damit entfällt die lästige An- und Ablöterei des Monitors an den Akku. Der Monitor muss ja nicht ständig aktiv sein und den Akku somit peu à peu entlehren. |
||||||||||||||||||||||||||||||||||||||||||||||
|
||||||||||||||||||||||||||||||||||||||||||||||
![]() |
||||||||||||||||||||||||||||||||||||||||||||||