|
||||||||||||||||||||||||||||||||||||||||||||||||||||||||||||||||||||||||||||||||||||||||||||||||||||||||||||||||||||||||||||||||||||
|
||||||||||||||||||||||||||||||||||||||||||||||||||||||||||||||||||||||||||||||||||||||||||||||||||||||||||||||||||||||||||||||||||||
![]() |
||||||||||||||||||||||||||||||||||||||||||||||||||||||||||||||||||||||||||||||||||||||||||||||||||||||||||||||||||||||||||||||||||||
|
||||||||||||||||||||||||||||||||||||||||||||||||||||||||||||||||||||||||||||||||||||||||||||||||||||||||||||||||||||||||||||||||||||
| Projekt: QRP Thermischer Leistungsmesser | ||||||||||||||||||||||||||||||||||||||||||||||||||||||||||||||||||||||||||||||||||||||||||||||||||||||||||||||||||||||||||||||||||||
| Kontakt: |
||||||||||||||||||||||||||||||||||||||||||||||||||||||||||||||||||||||||||||||||||||||||||||||||||||||||||||||||||||||||||||||||||||
| Einleitende Worte | ||||||||||||||||||||||||||||||||||||||||||||||||||||||||||||||||||||||||||||||||||||||||||||||||||||||||||||||||||||||||||||||||||||
|
||||||||||||||||||||||||||||||||||||||||||||||||||||||||||||||||||||||||||||||||||||||||||||||||||||||||||||||||||||||||||||||||||||
| Der
hier vorgestellte QRP Leistungsmeseer wurde von Helmut, DL2AVH entwichelt
und wurde als Bausatz von QRPproject vertrieben. Seine Vorteile sind ein unkomplizierter Aufbau, einfache Kalibrierung
und natürlich der HAMpreis. Messen kann man mit hoher Genauigkeit
die HF-Ausgangsleistung von wenigen Milliwat bis etwa 9 Watt.
Weiterhin läßt sich die Schaltung einfach als induktionsarme 50 Ω Dummyload und 20 dB Leistungsabschwächer nutzen. Der Meßvorgang muß kurz erfolgen, da die SMD Widerstände doch sehr warm werden. Generell sind die Messungen in der DIP-Schalterstellung 'ALLE OFF', kleiner 9 Watt zu beginnen!! |
||||||||||||||||||||||||||||||||||||||||||||||||||||||||||||||||||||||||||||||||||||||||||||||||||||||||||||||||||||||||||||||||||||
| Hinweise zum Bau | ||||||||||||||||||||||||||||||||||||||||||||||||||||||||||||||||||||||||||||||||||||||||||||||||||||||||||||||||||||||||||||||||||||
|
||||||||||||||||||||||||||||||||||||||||||||||||||||||||||||||||||||||||||||||||||||||||||||||||||||||||||||||||||||||||||||||||||||
| Alle benötigten Bauelemente kann man in einer Hand halten. Das wichtigste Bauteil ist der optische Meßwandler. Er besteht aus einer Ultra-Micro-Glühlampe, gekoppelt mit einer Spektralfilter-Fotodiode. | ||||||||||||||||||||||||||||||||||||||||||||||||||||||||||||||||||||||||||||||||||||||||||||||||||||||||||||||||||||||||||||||||||||
|
||||||||||||||||||||||||||||||||||||||||||||||||||||||||||||||||||||||||||||||||||||||||||||||||||||||||||||||||||||||||||||||||||||
![]() |
||||||||||||||||||||||||||||||||||||||||||||||||||||||||||||||||||||||||||||||||||||||||||||||||||||||||||||||||||||||||||||||||||||
|
||||||||||||||||||||||||||||||||||||||||||||||||||||||||||||||||||||||||||||||||||||||||||||||||||||||||||||||||||||||||||||||||||||
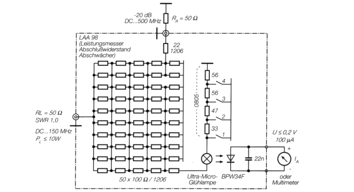
| Stromlaufplan des Leistungsmessers und Dummy Loads. | ||||||||||||||||||||||||||||||||||||||||||||||||||||||||||||||||||||||||||||||||||||||||||||||||||||||||||||||||||||||||||||||||||||
|
||||||||||||||||||||||||||||||||||||||||||||||||||||||||||||||||||||||||||||||||||||||||||||||||||||||||||||||||||||||||||||||||||||
![]() |
||||||||||||||||||||||||||||||||||||||||||||||||||||||||||||||||||||||||||||||||||||||||||||||||||||||||||||||||||||||||||||||||||||
|
||||||||||||||||||||||||||||||||||||||||||||||||||||||||||||||||||||||||||||||||||||||||||||||||||||||||||||||||||||||||||||||||||||
| Leiterplatte, des Bausatzes. Die Platine wird beidseitig mit SMD Bauteilen bestückt. | ||||||||||||||||||||||||||||||||||||||||||||||||||||||||||||||||||||||||||||||||||||||||||||||||||||||||||||||||||||||||||||||||||||
|
||||||||||||||||||||||||||||||||||||||||||||||||||||||||||||||||||||||||||||||||||||||||||||||||||||||||||||||||||||||||||||||||||||
![]() |
||||||||||||||||||||||||||||||||||||||||||||||||||||||||||||||||||||||||||||||||||||||||||||||||||||||||||||||||||||||||||||||||||||
| Details der Konstruktion | ||||||||||||||||||||||||||||||||||||||||||||||||||||||||||||||||||||||||||||||||||||||||||||||||||||||||||||||||||||||||||||||||||||
|
||||||||||||||||||||||||||||||||||||||||||||||||||||||||||||||||||||||||||||||||||||||||||||||||||||||||||||||||||||||||||||||||||||
![]() |
||||||||||||||||||||||||||||||||||||||||||||||||||||||||||||||||||||||||||||||||||||||||||||||||||||||||||||||||||||||||||||||||||||
|
||||||||||||||||||||||||||||||||||||||||||||||||||||||||||||||||||||||||||||||||||||||||||||||||||||||||||||||||||||||||||||||||||||
| Die BNC
Stecker müssen vor der Montage noch bearbeitet werden. Da diese beiden
Stecker direkt auf die Leiterplatte geschoben und mit Masse verlötet
werden, ist ein Schlitz zu sägen oder zu feilen. Ich habe mit einer
Eisensäge den 4mm tiefen Schlitz, wie auf dem Foto zu sehen, realisiert.
Der Schlitz darf nich zu tief sein, da es sonst zu fummelig wird, den Mittelstift
des Steckers auf der Leiterplattenposition zu verlöten. Das merkt
ihr besonders bei dem Anschluß zum 22 Ω Widerstand für die Auskoppelung des -20 dB Signals. Wie auf den Bildern zu sehen, wurden beide BNC Steckerhälse von mir in ihrer Gesamtlänge auf 5mm gekürzt. Somit konnte ich den Schlitz fast bis zum Ende des Gewindes sägen. Hintergrund war, daß ich den Stecker etwas kürzer haben wollte, Hi. Ein kurzes Stück vollen Kupferdraht sauber an den Stift löten. Anschließend den Stift in den Stecker festdrücken. Nun den Stecker auf die Leiterplatte schieben und an allen 4 'Ecken' mit Masse verlöten. Leistungsstärkeren Lötkolben verwenden! Zum Schluß den Kupferdraht entsprechend einkürzen und an dem vorgegebenen Lötpad der Leiterplatte löten. |
||||||||||||||||||||||||||||||||||||||||||||||||||||||||||||||||||||||||||||||||||||||||||||||||||||||||||||||||||||||||||||||||||||
|
||||||||||||||||||||||||||||||||||||||||||||||||||||||||||||||||||||||||||||||||||||||||||||||||||||||||||||||||||||||||||||||||||||
![]() |
||||||||||||||||||||||||||||||||||||||||||||||||||||||||||||||||||||||||||||||||||||||||||||||||||||||||||||||||||||||||||||||||||||
|
||||||||||||||||||||||||||||||||||||||||||||||||||||||||||||||||||||||||||||||||||||||||||||||||||||||||||||||||||||||||||||||||||||
| Wer noch
nicht SMD gelötet hat ist das Projekt ein guter Einstieg es zu probieren.
Hier noch mal ein paar |
||||||||||||||||||||||||||||||||||||||||||||||||||||||||||||||||||||||||||||||||||||||||||||||||||||||||||||||||||||||||||||||||||||
| Die Mini-Dip Schalterstellungen für unterschiedliche Leistungsanzeigen sind zu beachten. Man beginne immer mit der größten zu erwartenden Leistung. | ||||||||||||||||||||||||||||||||||||||||||||||||||||||||||||||||||||||||||||||||||||||||||||||||||||||||||||||||||||||||||||||||||||
|
||||||||||||||||||||||||||||||||||||||||||||||||||||||||||||||||||||||||||||||||||||||||||||||||||||||||||||||||||||||||||||||||||||
| Bei größeren zu messenden Leistungen, den Messvorgang sehr kurz halten! Das Glühlämpchen und die SMD's werden doch recht warm. | ||||||||||||||||||||||||||||||||||||||||||||||||||||||||||||||||||||||||||||||||||||||||||||||||||||||||||||||||||||||||||||||||||||
|
||||||||||||||||||||||||||||||||||||||||||||||||||||||||||||||||||||||||||||||||||||||||||||||||||||||||||||||||||||||||||||||||||||
![]() |
||||||||||||||||||||||||||||||||||||||||||||||||||||||||||||||||||||||||||||||||||||||||||||||||||||||||||||||||||||||||||||||||||||
|
||||||||||||||||||||||||||||||||||||||||||||||||||||||||||||||||||||||||||||||||||||||||||||||||||||||||||||||||||||||||||||||||||||
Eines
der wichtigsten Bauteile ist die Fotodiode. Es gibt zwei Möglichkeiten
eine Fotodiode zu schalten. In Durchlassrichtung oder in Sperrrichtung.
Ohne Licht verhält sich die Fotodiode in Durchlassrichtung wie eine normale Diode, folglich ist die Spannung über der Fotodiode sehr klein. In Sperrrichtung fließt nur ein sehr kleiner Dunkelstrom, d.h., die Spannung über der Fotodiode ist sehr hoch, falls diese mit einem Widerstand an einer Spannungsquelle angeschlossen ist. Mit Licht arbeitet die Fotodiode in Durchlassrichtung wie eine Fotozelle, d.h. sie generiert eine Gleichspannung in Abhängigkeit von der Lichtintensität. |
||||||||||||||||||||||||||||||||||||||||||||||||||||||||||||||||||||||||||||||||||||||||||||||||||||||||||||||||||||||||||||||||||||
Der
Thermoleistungsmesser benutzt eine Fotodiode vom Typ BPW34F mit einem Spektralfilter
und einer Microglühlampe. Fotodiode und Glühlampe, sollten währen
der Messung kein Fremdlicht erhalten. Ist in der Detailansicht noch nicht
realisiert. Die Fotodiode wird mit der Kathode, breiter Anschluß,
auf Masse gelötet. Das Microlämpchen flach darüber. Zur
Abschirmung kann eine dünne Kupferfolie darüber gelötet
werden. Oder dünnen schwarzen Karton zurechtschnippeln und mit einem
Tropfen Kleber fixieren. Laßt euch was einfallen, es muß aber
dunkel sein. |
||||||||||||||||||||||||||||||||||||||||||||||||||||||||||||||||||||||||||||||||||||||||||||||||||||||||||||||||||||||||||||||||||||
| Ich habe
mit der Abdeckung von Fotodiode und Lämpchen eine einfache Lösung
gefunden. Nachdem ich feststellte, daß bereits bei Tageslicht ein
meßbarer Strom an den Meßbuchsen anlag, war ich mit meiner
'Verdunkelung' nicht zufrieden. Da erinnerte ich mich, wie eine Ravioli
hergestellt wird. Ich nahm statt des Teiges, Hi, selbstverschweißendes
Isolierband. Nach entsprechendem Zuschnitt legte ich es auf die zu verdunkelnde
Fläche, drückte nur die Ränder mit einem Zahnstocher fest.
Aber vorsichtig, denn die 'Füllung' darf nicht kaputt gehen. Einen
Vorteil hat das Ganze, das Isolierband kann immer wieder entfernen werden.
Denkt auch an die Wärmeentwicklung, besonders bei höherer Leistungsmessung!
Kurze Messungen!
Man könnte das ganze während einer Messung auch in ein verschlossenes dunkles Plastegehäuse stecken. |
||||||||||||||||||||||||||||||||||||||||||||||||||||||||||||||||||||||||||||||||||||||||||||||||||||||||||||||||||||||||||||||||||||
|
||||||||||||||||||||||||||||||||||||||||||||||||||||||||||||||||||||||||||||||||||||||||||||||||||||||||||||||||||||||||||||||||||||
![]() |
||||||||||||||||||||||||||||||||||||||||||||||||||||||||||||||||||||||||||||||||||||||||||||||||||||||||||||||||||||||||||||||||||||
| Kalibrierung | ||||||||||||||||||||||||||||||||||||||||||||||||||||||||||||||||||||||||||||||||||||||||||||||||||||||||||||||||||||||||||||||||||||
|
||||||||||||||||||||||||||||||||||||||||||||||||||||||||||||||||||||||||||||||||||||||||||||||||||||||||||||||||||||||||||||||||||||
| Die Kalibrierung
des Thermischen Leistungsmessers wird mittels einer definierten Gleichspannung
vorgenommen. Alle fünf Meßbereich müssen gesondert kalibriert
werden, mit Dipschalter einzustellen. Dazu wird jeweils eine Gleichspannung
an den HF Eingang gelegt. Es wird die jeweilige Spannung und der jeweilige
Strom gemessen und die daraus errechnete Leistung in eine Tabelle eingetragen.
Leistung an R=50 Ω nach der Formel P=U2/R. Die Messungen wurden mit einem analogen Multimeter 5050E, Meßbereich 300 mV ausgeführt. |
||||||||||||||||||||||||||||||||||||||||||||||||||||||||||||||||||||||||||||||||||||||||||||||||||||||||||||||||||||||||||||||||||||
|
||||||||||||||||||||||||||||||||||||||||||||||||||||||||||||||||||||||||||||||||||||||||||||||||||||||||||||||||||||||||||||||||||||
| Die gegebene
Gleichstromleistung ergibt den gleichen Strom der Fotodiode, wie eine gleich
hohe HF Leistung im Bereich 1 bis 50 MHz. Der Strom der Fotodiode an den
Meßbuchsen ist dann der Bezugswert. In der späteren Handhabung
einfach in die Kalibrierungstabelle schauen und die ca. Leistung ablesen.
Da der Aufbau relativ induktionsarm aufgebaut wurde, kann der Leistungsmesser mit geringen Genauigkeitsabstrichen bis etwa 500 MHz benutzen werden. |
||||||||||||||||||||||||||||||||||||||||||||||||||||||||||||||||||||||||||||||||||||||||||||||||||||||||||||||||||||||||||||||||||||
| Das Abdecken der Fotodiode mit Isolierband mußte noch verbessert werden, denn bei einer Eingangsspannung von Null Volt gab es bereits einen deutlichen Zeigerausschlag am Meßinstrument. Es war noch nicht mal das Tageslicht, sondern die Zimmerbeleuchtung, die Verursacher des Ausschlages war. Ich bastelte aus Fotokarton, 300 g/m2 eine passende Schachtel mit Deckel. Der Fotokarton war schwarz, intensiv durchgefärbt und hatte eine hohe Lichtundurchlässigkeit. Das Falten, Zusammenkleben und Aussparen für die BNC Buchsen und die Meßanschlußstecker dauerte nicht lange. Dazu noch einen kleinen Deckel und der TLM verschwand im Dunkel. Erst jatzt war eine reproduzierbare Kalibrierung möglich. | ||||||||||||||||||||||||||||||||||||||||||||||||||||||||||||||||||||||||||||||||||||||||||||||||||||||||||||||||||||||||||||||||||||
|
||||||||||||||||||||||||||||||||||||||||||||||||||||||||||||||||||||||||||||||||||||||||||||||||||||||||||||||||||||||||||||||||||||
![]() |
||||||||||||||||||||||||||||||||||||||||||||||||||||||||||||||||||||||||||||||||||||||||||||||||||||||||||||||||||||||||||||||||||||
|
||||||||||||||||||||||||||||||||||||||||||||||||||||||||||||||||||||||||||||||||||||||||||||||||||||||||||||||||||||||||||||||||||||
| Der Thermische QRP-Leistungsmesser, verpackt im 'dunklen Karton', ist zur Kalibrierung einsatzbereit. Links wird die Gleichspannung zugeführt und rechts wird ein Millivoltmeter angeschlossen. | ||||||||||||||||||||||||||||||||||||||||||||||||||||||||||||||||||||||||||||||||||||||||||||||||||||||||||||||||||||||||||||||||||||
|
||||||||||||||||||||||||||||||||||||||||||||||||||||||||||||||||||||||||||||||||||||||||||||||||||||||||||||||||||||||||||||||||||||
![]() |
||||||||||||||||||||||||||||||||||||||||||||||||||||||||||||||||||||||||||||||||||||||||||||||||||||||||||||||||||||||||||||||||||||
|
||||||||||||||||||||||||||||||||||||||||||||||||||||||||||||||||||||||||||||||||||||||||||||||||||||||||||||||||||||||||||||||||||||
| Links der Zeigerausschlag ohne Kartonverpackung und rechts war der TLM im Karton verpackt. | ||||||||||||||||||||||||||||||||||||||||||||||||||||||||||||||||||||||||||||||||||||||||||||||||||||||||||||||||||||||||||||||||||||
|
||||||||||||||||||||||||||||||||||||||||||||||||||||||||||||||||||||||||||||||||||||||||||||||||||||||||||||||||||||||||||||||||||||
![]() |
||||||||||||||||||||||||||||||||||||||||||||||||||||||||||||||||||||||||||||||||||||||||||||||||||||||||||||||||||||||||||||||||||||
|
||||||||||||||||||||||||||||||||||||||||||||||||||||||||||||||||||||||||||||||||||||||||||||||||||||||||||||||||||||||||||||||||||||
| Kalibrierungsdiagramme deren Leistungsangaben aber noch mit einem geeichten Meßsenders verglichen werden sollen. Aber als Orientierung schon mal brauchbar. | ||||||||||||||||||||||||||||||||||||||||||||||||||||||||||||||||||||||||||||||||||||||||||||||||||||||||||||||||||||||||||||||||||||
|
||||||||||||||||||||||||||||||||||||||||||||||||||||||||||||||||||||||||||||||||||||||||||||||||||||||||||||||||||||||||||||||||||||
| Ein zweiter BNC Stecker ermöglicht es, eine um 20 dB abgeschwächte HF Leistung abzugreifen. Hier die Messkurve des Leistungsmessers in der Funktion als Leistungsabschwächer von 1 bis 150 MHz gewobbelt, erstellt von DL2FI. Da kann man doch nicht meckern. | ||||||||||||||||||||||||||||||||||||||||||||||||||||||||||||||||||||||||||||||||||||||||||||||||||||||||||||||||||||||||||||||||||||
|
||||||||||||||||||||||||||||||||||||||||||||||||||||||||||||||||||||||||||||||||||||||||||||||||||||||||||||||||||||||||||||||||||||
![]() |
||||||||||||||||||||||||||||||||||||||||||||||||||||||||||||||||||||||||||||||||||||||||||||||||||||||||||||||||||||||||||||||||||||