Ultra PicoKeyer zurück

 

Ultra PicoKeyer

 

Projekt: Ultra PicoKeyer
Kontakt: 
 
Einleitende Worte

 

Bekannt sein dürfte der MasterKeyer ML-1 von HamGadgets. Leider wird er nicht mehr vertrieben, vielleicht aber noch auf Flohmärkten zu bekommen. Dale, N0XAS hat aber einen Nachfolger in sein Fertigungsprogramm aufgenommen. Es ist der Ultra PicoKeyer, eine kleine 'Plastikbox' mit sehr interessantem Inhalt. Zu finden beiHamGadgets.
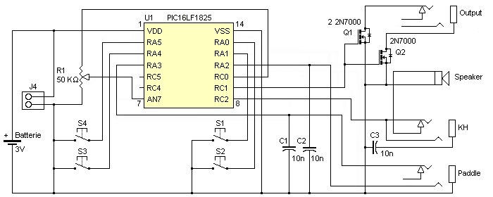
Alles dreht sich um den Mikrocontoller, der das Herzstück des Keyers ist. Dieser fragt kontinuierlich die Kontaktzustände des angeschlossenen Paddles ab und kommuniziert über die Ein- und Ausgabe von Morzezeichen. Der Ultra PicoKeyer hat einen eigenen Piezolautsprecher, ein Poti zum Variieren des Morsetempos, 4 Multifunktionstaster, einen Akku an Bord und die meisten Funktionen die ein High-End-Keyer als Stand alone Gerät bieten sollte.
Die Stromaufnahme ist während der Betriebsphase besonders gering und speziell im Schlafmodus. Mit Piezolautsprecher kommt man auf ca. 2,6 mA. Im Schlafmodus ist die Stromaufnahme wirklich zu vergessen.
Ein optional angeschlossener externer Kofhörer sollte mindestens 32 Ω aufweisen.
Hervorheben möchte ich die sehr geringe Hardwarebeschaltung und die aufwendige Softwareprogrammierung, wo die Erfahrung aus der Praxis deutlich zu spüren ist. Persönlich schätze ich die intuitieve, einfache Menüführung über die vier externen Tasten. Auch lässt sich die Standardkonfiguration sehr einfach und schnell auf individuelle Gewohnheiten anpassen.
Die Platine ist in sehr guter Qualität, die Bauteile sehr überschaulich, die Setups einprägsam und die Bedienung leicht zu lernen. Was will man mehr.
Die Bauteile wurden kontrolliert und der Lötkolben angeheizt. Das Bestücken machte richtig Spass. Nach ca. 30 Minuten war der Keyer fertig. Der PIC wurde eingesetzt, die Batterie angeschlossen und es ertönte ein freundliches '73' aus dem Speaker.
Der Aufbau und die Menüfunktionen einschließlich einiger Tipps wurden in einem Manual zur Verfügung gestellt.
Der Bausatz ist hervorragend für den absoluten Anfänger geeignet.

 

Hier findest du eineUltra PicoKeyer ManualMontageanleitung zum Ultra Picokeyer-Bausatz und die Menü- und Befehlsführung in deutscher Sprache.
 
Schaltung

 

Schaltung ...
 
Details

 

Innenleben des Keyers ...

 

Blick ins Innere der kleinen 'Plastikschachtel'.
Der zusammengebaute Keyer, gesehen aus Front- und Rückseitiger Perspektive. Gut zu erkennen die Batterie 'on Board'. Rechts die vier Funkionstaster mit dem Poti für die manuelle Änderung des Morsetempos. In der Mitte der Piezulautsprecher und das Herz des Keyers, der Microprozessor.

 

fertiger Keyer ...

 

Rückseitig zu erkennen die drei Buchsen für Output, Paddle und externer Kopfhörer.

 

fertiger Keyer in Aktion...

 

Ultra PicoKeyer einsatzbereit. Ready for go.
 
Kommando Übersicht

 

KommandoübersichtDie wichtigsten Kommados, die mit den Tastern direkt erreicht werden, habe ich in einer kleinen Schablone zusammengefasst. Diese kann auf die Gehäuseoberschale geklebt werden. Damit habe ich oft gebrauchte Kommandotastenfolgen immer im Blickfeld.
TOP