|
||||||||||||||||
|
||||||||||||||||
![]() |
||||||||||||||||
|
||||||||||||||||
| Projekt: Bandpass Filter 2m - 145 MHz | ||||||||||||||||
| Kontakt: |
||||||||||||||||
| Einleitende Worte | ||||||||||||||||
|
||||||||||||||||
| Bandpassfilter für 145 MHz aus PI-Tiefpassgliedern, die über Serienkondensatoren hochpassgekoppelt sind. Die L und C Werte wurden mit einer Simulation ermittelt, mit guter symmetrischer Filterkurve. Ist noch nicht praxiserprobt, noch im Testaufbau. Bandpass Filterbeschreibung folgt. | ||||||||||||||||
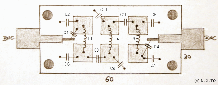
| Schaltungsskizze | ||||||||||||||||
|
||||||||||||||||
| Diese Skizze soll den späteren Zusammenbau der Filterkomponenten verdeutlichen. | ||||||||||||||||
|
||||||||||||||||
![]() |
||||||||||||||||
|
||||||||||||||||
| Die Umsetzung der simulierten Theorie in die Praxis ist oft so einfach und erfordert einigen Optimierungsbedarf. Mehrere berechnete Stellen nach dem Komma sind Quatsch, man sollte mehrere Simulationsdurchläufe machen und dabei die Toleranzen berücksichtigen!. Willst du die Welligkeit im Durchlassbereich und damit die Anpassung, die Grenzfrequenz und die Dämpfung im Sperrbereich berücksichtigen, wird die Mathematik sehr aufwendig. Tu dir das nicht an! Praktische Erfahrung beim Abgleichen und Optimieren sind immer von Vorteil. | ||||||||||||||||
|
||||||||||||||||
![]() |
||||||||||||||||
| Skizzierter Aufbauvorschlag | ||||||||||||||||
|
||||||||||||||||
| Skizze einer möglichen Filter Verdrahtung im Manhattan Style. Ich habe mich entschieden das Filter in konventioneller Verdrahtung aufzubauen | ||||||||||||||||
|
||||||||||||||||
![]() |
||||||||||||||||
|
||||||||||||||||
Die Pads bestehen aus FP4; Exoxidharz mit Glasfasergewebe. Pads können leicht in unterschiedlichen Formen und Größen selbst hergestellt werden. Die Schnittkanten der Pads sind unbedingt mit Schleifpapier zu glätten.![]() Alle 6 Pads (8 x 8 mm) wurden auf die kupferkaschierte Boxengrundplatte (60 x 30 mm), die als Massefläche wirkt, aufgeklebt. Die Positionen der Pads Lötstützpunkte können sehr variabel und individuell angeordnet werden. Die große Massefläche macht den Aufbau von HF-Schaltungen betriebssicher. Für hohe Frequenzen sollten alle Drahtanschlüsse der Bauteile sehr kurz gehalten werden! |
||||||||||||||||
|
||||||||||||||||
Angaben zum praktischen Filteraufbau:
|
||||||||||||||||
|
||||||||||||||||
| Hilfe zur Überschlagsberechnung |
||||||||||||||||
|
||||||||||||||||
| Die drei Luftspulen bestehen aus 7 Windungen mit ca. 95 nH, auf einem 4 mm Dorn gewickelt und sind etwa 12 mm lang. Durch Auseinanderziehen und Zusammendrücken konnte die Filterkurve optimiert werden. Zusammendrücken der Spule vergrößert die Induktivität, Auseinanderziehen verkleinert sie. | ||||||||||||||||
|
||||||||||||||||
| Bei der Optimierung solltest du auch ein weinig mit dem beiden Koppel Kondensatoren C1/C4 zur BNC Buchse experimentieren. Mit 10 pF wird das Filter etwas breiter. Probiere einfach mal +/- 5 pF. Auch die beiden Spulen Koppelkondensatoren C3/C10 können mal auf 2.2 oder 3.9 pF geändert werden. Ich Hane es bei 3.3 pF gelassen, da die etwas abgeflachte "Spitze" mir besser gefallen hat. Mit 2.2 pF ist eine deutliche Spitze zu sehen. Alle Kondensatoren sind bis 500 V spannungsfest. Um kleine Kapazitäten in der HF-Technik, z.B. für eine Hochpunktkopplung bei HF-Bandfilter zu realisieren, kannst du verdrillten Klingeldraht nehmen und von ca. 0.8 bis 1 pF/cm je nach Verdrillungsgrad ausgehen. Der Kopplungsgrad kann mit dem Seitenschneider "eingestellt" werden. Das sollte aber hier nicht nötig sein. |
||||||||||||||||
|
||||||||||||||||
![]() |
||||||||||||||||
|
||||||||||||||||
| Dieser Versuchsaufbau auf einer Experimentierleiterplatte ist nicht HF konform. Um schnelle Konfigurationen auszuprobieren, hat sich ein solcher Aufbau aber bewährt. Die optimierten Ergebnisse können dann später in die Endfassung übernommen werden. Die mittlere Spule L4 sollte eine geringfügig höhere Induktivität haben, desshalb zusammendrücken. Auf die Ästhetik der drei Spulen ist beim Abgleich nicht zu achten und ist drittrangig. Auch die Kopplung ist individuell zu "modellieren", um eine niedrige Durchgangsdämpfung und Bandbreite zu erreichen. |
||||||||||||||||
|
||||||||||||||||
| Die angestrebte Durchgangsdämpfung von 1 dB bei 145.425 MHz konnte nicht ganz erreicht werden. Die gemessene Dämpfung von 1.6 dB kann hingenommen werden, denn es ist besser den QSO Partner von einem "HF geschädigten" Standort etwas schlechter zu hören, als gar nicht zu hören. Ist also Pillepalle. | ||||||||||||||||
|
||||||||||||||||
| Toleranzen bei der Kapazität und auch der Induktivität summieren sich mal zum positiven und mal zum negaativen. Besonders bei so einer Verdrahtung machen sich die unvermeidlichen Anschlußinduktivitäten und auch Kapazitäten sicher bemwekbar. Parasitäre- bzw. Scheinkapazitäten und Induktivitäten und ihr Zusammenwirken sind bei der Anordnung der Kondensatoren und Luftspulen in der Gesamtschaltung zu beachten. Desshalb immer auf kürzeste Anschlußdrähte achten! Ich empfehle auch alle Kondensatoren vor dem Einlöten auf möglichst geringe Toleranz auszumessen. |
||||||||||||||||
|
||||||||||||||||
![]() |
||||||||||||||||
|
||||||||||||||||
| Ohne ein sorgfältiges Abgleichen geht es einfach nicht. Ziehen bzw. Zusammendrücken der Windungen sind für den Feinabgleich leicht möglich und unerläßlich. Die Kondensatoren sollten aber sinnvollerweise Normwerte besitzen oder sich leicht aus zwei parallelen Normwerten zusammensetzen lassen. Dazu genügt ein einfacher Netzwerkanalyser. Richte dein Augemmerk auf S21 - Durchgangsdämpfung und S11 - Eingangsanpassung. |
||||||||||||||||
|
||||||||||||||||
![]() |
||||||||||||||||
|
||||||||||||||||
| Passt bequem in die Handfläche. | ||||||||||||||||
|
||||||||||||||||
![]() |
||||||||||||||||
|
||||||||||||||||
| Da das einzige "variable Element" die Induktivität ist, macht sich ein optimaler zufriedener Abgleich ohne Analyser sehr schwer. Durch sehr feinfühliges Ziehen, Zusammendrücken und verändern der Spulenabstände kannst du dich an eine geringe Einfügedämpfung heranoptimieren. Ich gab mich mit ca. 1.6 dB zufrieden. | ||||||||||||||||
|
||||||||||||||||
![]() |
||||||||||||||||
|
||||||||||||||||
| Hier mal noch 2 Marker bei -30 dB gesetzt. | ||||||||||||||||
|
||||||||||||||||
![]() |
||||||||||||||||
|
||||||||||||||||
| Die S11 - Eingangsanpassung von - 36 dB ist sehr gut. | ||||||||||||||||
|
||||||||||||||||
![]() |
||||||||||||||||
|
||||||||||||||||
| Das folgende Chart zeigt den Verlauf meiner Optimierungen auf, die durch nochmaligen Feinabgleich sicher noch etwas verbessert werden kann. Auf Diagramm klicken, dann wird im separaten Fenster das Diagramm groß angezeigt. |
||||||||||||||||
![]() |
||||||||||||||||
|
||||||||||||||||
![]() |
||||||||||||||||
|
||||||||||||||||