Auf die 'Hühnerleiter' gekommen, symmetrische Speisung einer Drahtantenne - etwas Theorie und mehr Praxis zurück
 
Hühnerleiter
 
Projekt: Symmetrische Antennenspeisung mit einer 'Hühnerleiter' - Stromsymmetrie auf der Hühnerleiter
Kontakt: DL2LTO
 
Abstimmung der kompletten Antennenanlage
 
Für die Ankopplung der 'Hühnerleiter' an den Sender ist ein Universamabstimmgerät, Z-Match zu benutzen. Die Eingansimpedanz zum TRX, 50 Ω, muß angepasst werden. Dagegen sollte die Ausgangsimpedanz zur Hühnerleiter 25 bis 4000 Ω angepaßt werden können. Eine Antenne mit abgestimmter Speiseleitung wird fast immer als Mehrbandstrahler verwendet. Das bedeutet Spannungs- oder Stromkopplung. In der Praxis stellt sich fast immer eine Mischanpassung ein, da das anzupassende Ende der 'Hühnerleiter' hochohmig bzw. niederohmig sein kann. Damit ist es leicht möglich, Antenne und Speiseleitung in Resonanz mit der gewünschten Betriebsfrequenz abzustimmen.
Hier einige kommerziellen Anbieter von 'echten' symmetrischen Kopplern.
  http://emtech.steadynet.com
http://www.mfjenterprises.com
http://www.qrpproject.de
http://www.hamware.de
http://www.titanex.de
Mit einem Annecke Antennenkoppler paßt man jede symmetrische Antenne an. Aber die richtige Einstellung der Induktivität und Kapazität ist zu beachten.
Gehe davon aus, daß nur eine Einstellung richtig ist. Laß dich auch nicht von einem SWR von 1:1 täuschen, daß du zwischen Transceiver und Koppler abliest. Du hast zwar ein optimales SWR aber an der Antenne kommt keine oder nur sehr geringe HF an. Nun, wie erkennt man die richtige Einstellung? Eine ganz einfache Methode kommt zur Anwendung, der 'Glühlämpchenindikator'.   Annecke symmetrischer Koppler
Suche in deiner Bastelkiste nach Glühlampen von 6 V/0,06 A oder 12 V/0,1 A. Ein wichtiger Aspekt ist die Paarigkeit betreffs Widerstand. Nimm mehrere Glühlampen und ermittele im kalten Zustand ihren Widerstand. Die zwei Glühlampen mit nahezu gleichem Widerstand kommen zum Einsatz. Schleife diese beiden Glühlampen nun parallel in die Hühnerleiter ein. Wichtig ist parallele Anordnung oder anders ausgedrückt, gleicher Abstand auf beiden Feederleitungen.
 
Wireman mit Abgreifkontaktstiften
 
Da die Lämpchen nicht immer zur Abstimmung gebraucht werden, habe ich eine Variante gefunden, den 'Glühlampenindikator' mit Microklemmen zu fixieren. Ich habe Wiremankabel benutzt und an vier Feederpunkten die Isolierung entfernt. In die blanke Litze wurde je ein Kontaktstift mechanisch fixiert und anschließend verlötet. Das sind die späteren Abgreifpunkte zum Anschluß des 'Glühlämpchenindikators'.
 
'Glühlampenindikator'
 
Und so sehen die beiden identischen Indikatoren aus. Links Microklemme und Glühlampe, Litze und am anderen Ende nur eine Microklemme. Im unteren Bild ist der Indikator angeschlossen und bereit den maximalen Strom durch Leuchten der Lämpchen anzuzeigen.
 
'Glühlampenindikator' einsatzbereit
 
Nimm dazu ein Stück Draht, etwa 150-250 mm lang. Da die Lämpchen parallel zum Feeder angeklemmt werden reduziert man gleichzeitig die Induktivität des Glühfadens. Das Stück 'überbrückte' Feederleitung wirkt als Shuntwiderstand. Der absolute Antennenstrom ist für uns Ömer gar nicht so interessant. Beim Abstimmen ist das Erkennen eines Maximums des Antenenstromes oft ausreichend. Dazu dient dieser einfache Glühlampenindikator, der durch helles Aufleuchten zweier Glühlampen den möglichst gleichen Antennestrom anzeigt.   Glühlampenidikator ...
Eine anderepraktische Ausführung zur schnellen optischen Symmetrieprüfung versuche ich noch zu beschreiben. Es ist einen Versuch wert, darzustellen, warum das so ist.
Hier noch mal ein paar Detailfotos des 'Glühlampenindikators'.
 
  Detailfotos vom 'Glühlampenindikator'
 
Es geht natürlich auch mit einem Drehspulinstrument.
Nun noch etwas wichtiges. Bitte mit geringster Leistung den Abstimmvorgang beginnen. Ich schlage 0,5 bis 1 Watt vor. Sicher kannst du dir vorstellen, daß die Lämpchen 100 Watt HF nicht überstehen werden. Wir wollen ja nicht die abgestrahlte Leistung analysieren, sondern nur die Symmetrie der 'Hühnerleiter' feststellen. Dazu ist die Leistung unbedeutend.
'Hühnerleiter' ...   Sie dient nur, um die Glühlampen hell leuchten zu lassen. Beide Lämpchen sollten gleich hell leuchten. Nur dann liegt Symmetrie vor, andernfalls hat man eine Unsymmetrie. Dann sollte man den selbstgebauten Koppler, die Konstruktion der Hühnerleiter und die Länge der Dipolhälften überprüfen. So weit so gut.
Nun stellst du aber fest, daß beide Lämpchen auf dem einem Band gleich hell leuchten, aber auf jedem anderen Band stellt sich eine unterschiedliche Helligkeit ein. Das ist richtig.
Erinnere dich, daß auf einem Band Spannungskopplung auf dem anderen Stromkopplung oder Mischkopllung herrschen kann. Du solltest durch Experimentieren einen Punkt auf der Hühnerleiter für alle genutzten Bänder suchen, wo ein Helligkeitsmittelmaß festzustellen ist. Das ist optimal. Ich nutze diese Lämpchen oft als Indikator, denn eine geringe Spannungsänderung erkennt man an einer deutlich sichtbaren Helligkeitsänderung. Das macht sich gut beim Fieldday  und im halbdunklen Shack. Diese Prozedur macht man natürlich nur einmal, denn die Einstellungen von C und L notiert man sich pro Band in einer Tabelle. Diese Tabelle möchte ich bei einem schnellen Bandwechsel nicht missen. Natürlich kann man seinen Koppler und seine Antenne mit der Zeit und schaut nicht mehr so oft in die Tabelle. Bei QRP den Indikator nach erfolgreicher Abstimmung wieder abklemmen, denn jedes mW soll zur Abstrahlung kommen.
Eine andere Art sich die Symmetrie der Ströme auf der Feederleitung anzuzeigen fand ich bei Kees, PA0LL. Dieses Modul habe ich aufgebaut und stelle es dir mal vor.

Hühnerleiter-Strom-Indikator
Wenn Unsymmetrien auf der Speiseleitung gemessen werden, kann das mehrere Ursachen haben. Ein selbstgebautes oder aber ein industriell gefertigtes 'echtes' symmetrische Anpaßgerät weist auf der Feederleitung zu große Differenzen auf. Bis ca. 10 MHz merkt man es fast gar nicht, aber in den höherfrequenten Bändern erkennt man eine zunehmende Unsymmetrie. Das muß nicht immer die Hühnerleiter selbst sein. Oft sind es Unsymmetrien des Abstimmgerätes auf seinen Ausgang. Höhere Frequenzen werden einfach nicht symmetrisch ausgekoppelt!
Sollten Unsymmetrien festgestellt werden, dann messen und den Wert merken. Anschließend das Feederkabel am Anpaßgerät umklemen und erneut messen. Beide Stromverteilungswerte vergleichen. Sind die Werte etwa gleich groß, kommt die Unsymmetrie nicht von der Feederleitung, sondern meist aus dem Anpaßgerät. Bei Wertegleicheit sollte man die Ursache in der Feederleitung suchen. Im letzterem Fall hilft oft bereits ein Verkürzen oder Verlängern der Feederleitung.
Mit einer Stromzange kann man auch sehr einfach die Stromverteilung der beiden Feederleitungsstränge bestimmen. In der Literatur gibt es viel einfache Bauanleitungen dazu. Vorteil ist hier auch, dass die zu messende Leitung nicht aufgetrennt werden muss. Siehe auchMeßbügel-Stromdetektor.
Hier zwei Beispiele. Die drei Bilder wurden im Internet gefunden.
 
Stromzange in Handarbeit ...

 

Stromzange auch in Handarbeit ...

 

Shunt zur Strommessung ...

 

Symmetrie durch LED Anzeige ...
 
Hier noch eine Beschreibung eines selbstgebautenGlühlämpchenindikators, wie auf dem folgenden Bild zu sehen.
 
Glühlämpchenindikator ...
 
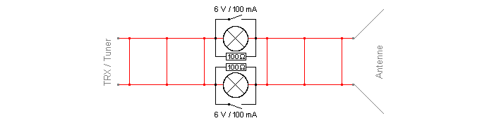
Eine noch einfachere HF-Stromanzeige auf einer symmetrischen Feederleitung zeigt die folgende Skizze.
 
HF-Stromanazeige skizziert
 
Die Stromanzeige wird an einer beliebigen Stelle in die Hühnerleiter eingefügt. Beachte dabei aber, dass die Helligkeit der Glühlämpchen gut zu erkennen ist.
Nimm zwei Glühlämpchen 6 Volt, 100 mA aus dem Fahhradzubehör. Dazu zwei 100 Ω Widerstände, geschaltet als Shunt. Und zwei Ein/Aus Schalter. Verdrahte die Bauteile so wie skizziert, fertig.
Abgestimmt wird bei offenem Schalter, gefunkt mit geschlossenem Schalter. Wie das praktisch umgesetzt wurde, zeigt die kurze Filmsequenz der Antennenstromanzeige.
Die Beschreibung einer ganzsimplen Stromanzeige für Open-Wire-Übertragungsleitungen ist hier kurz dargestellt.
 
simple Stromanzeige ...
 
TOP